數十年磁力泵、離心泵、自吸泵制造廠家

全國咨詢熱線

136-2518-2808

TSZB耐酸堿同步排吸泵

一、產品概述 TSZB耐酸堿同步排吸泵,材質有超高分子聚乙烯,F46,PFA等,可針對不同濃度與溫度的酸堿,選擇不同的材質生產,質優(yōu)價廉,安全放心。 二、產品特點 1、啟動時不必倒灌、不用真空泵、不用底閥,泵本身即可自動抽氣吸液。 2、自吸高度可達9m,突破了泵“允許吸上高度”的限制。 3、自吸時間短,從6.3m3/h~600 m3/h,自吸時間僅為6~50秒。 4、獨特的吸氣裝
聯系電話:136-2518-2808

產品詳情

  一、產品概述  



TSZB耐酸堿同步排吸泵,材質有超高分子聚乙烯,F46,PFA等,可針對不同濃度與溫度的酸堿,選擇不同的材質生產,質優(yōu)價廉,安全放心。


 

  二、產品特點   


 
 
1、啟動時不必倒灌、不用真空泵、不用底閥,泵本身即可自動抽氣吸液。
2、自吸高度可達9m,突破了泵“允許吸上高度”的限制。
3、自吸時間短,從6.3m3/h~600 m3/h,自吸時間僅為6~50秒。
4、獨特的吸氣裝置,使液面到葉輪之間始終處于近似真空狀態(tài),提高了泵的效率。
5、泵在運行中,即使出現“失水”現象,也可通過吸氣裝置自動抽氣,隨時達到斷流自復的效果。
6、產品材質:A3、HT200、1Cr18Ni9Ti、1 Cr18Ni12Mo2Ti、美國標準316、316L、日本標準的SUS304、SUS304L、蒙乃爾、哈氏合金、耐熱耐腐合金。
 
 

  三、應用范圍   



 

廣泛適用于石油化工、稀土冶煉、電力、脫硫除塵、環(huán)保等行業(yè)。



  四、產品參數   

 

聯系我司獲取

 


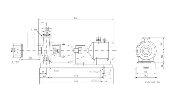
   五、產品結構圖  



表格37.png


   六、選型參數表  



表格37.png


   七、訂貨說明  



訂貨須知:

一、您在訂購產品時需提供流量(Q)、揚程(H)、及介質等。并指出介質的易燃性、易爆性、毒性、腐蝕性、結晶性及是否允許封液滲入介質內。
二、若您對原動機有特殊要求時,應說明應用現場條件,環(huán)境溫度、安裝地點及類別(防爆、防火等要求)電壓大小等。
三、當使用的場合非常重要或環(huán)境比較復雜時,請您盡量提供設計圖紙和詳細參數,由我們沁泉泵閥的技術專家為您審核把關。
四、泵經過長期運行后性能有顯著下降時應拆機檢查,并更換易損件(軸承、葉輪、葉輪密封環(huán)、導葉套、軸封等)。機組大修期一般為一年。
五、泵每運行500小時應對軸承進行加油。
六、配填料型密封而產生的漏水屬正?,F象。


   八、安裝注意事項  



 


注意事項:1

應往軸承箱內加注潤滑油,油量應控制于油窗中間水平面。

注意事項:2

開車前用手盤動聯軸器,有無在安裝過程中產生卡死現象如有碰擦異常應予消除。


注意事項:3

起動前先接通冷卻沖洗液,停車時應先停車再關閉冷卻沖洗液。

注意事項:4

冷卻沖洗液必須是干凈的不結垢的軟水,因此對新安裝的管路和儲蓄罐應沖洗干凈。防止有固體物質進入機械密封影響密封效果和壽命。易結垢的水質會堵塞冷卻沖洗液通路。同樣會影響密封的使用效果和壽命。

 

注意事項:5

冷凝水作密封沖洗液效果是理想的,溫度<85℃。


注意事項:6

卻沖洗液的壓力為0.1~0.3MPa,流量為0.63m3/h,流量過小會影響密封的使用壽命。

查看更多 >>

產品推薦

熱銷產品:

  • 磁力泵、離心泵、自吸泵、液下泵等產品
  • 136-2518-2808